
- 국내 최초로 한국산업기술시험원으로부터 그리드 포밍 시험 성적서 발급

- 국내 최초로 재생에너지용 그리드 포밍 인버터 실증 사업 성공

- 제주 지역 2개 사업장에 각각 500KW급 그리드 포밍 인버터 설치 및 작동 중

- 관성 제공, 강건성 제공, 자체 전압 형성 등 성능 요건 충족 확인

-
금년 하반기부터 제주 지역을 시작으로 상용화
당사의 그리드 포밍 인버터를 설치한 발전사업장은 전력거래소의 출력제어 대상후순위로 분류 – 빈번한 출력제어로 인해 지속적인 손실을 보고 있는 재생에너지 사업자들에게 획기적인 해결 방안
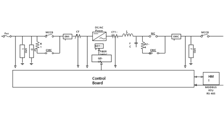
| 기존 인버터 | 그리드 포밍 인버터 | |
|---|---|---|
| 제어 | 전류제어 | 전압원 제어 |
| 주파수 | 측정하여 사용 | 자체 생성(관성 제공) |
| 전압 | 측정하여 사용 | 자체생성 |
| 자체가동 | 불가 | 가능 |








